Our Clients

  • US Army Corps of Engineers  (Superfund Project)
  • King of Prussia Technical Corporation Site PRP Group (Superfund Project)
  • Springfield Township Site PRP Group (Superfund Project)
  • US Naval Facilities Engineering
  • United States Department of Energy
  • Westinghouse Hanford Company
  • DuPont
  • Daimler-Chrysler
  • ARCADIS
  • Eco Recycling Systems (France)
  • City of Montreal (Canada)
  • HERA AG Ambiental (Spain)
  • BEFESA Gestion de Residuos Industriales (Spain)
  • The Monsanto Company
  • Honeywell International
  • Parsons Engineering Science, Inc.
  • RMI Environmental Services
  • ELM Group
  • Hoffman La Roche
  • Langan Engineering
  • Troy Chemical Company
  • Penbrook Homes / Abito

Process Engineering, Plant Design & Fabrication

PLANT AND PROCESS DESIGN

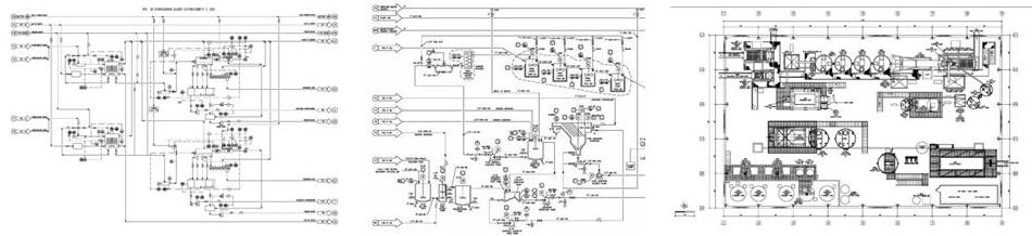
ART designs processing plants and facilities for a wide range of (contaminated) soil treatment and material recycling project. Plants provided by ART include but not limited to: soil washing, soil separation, soil oxidation, thermal treatment and stabilization. Based on the results of treatability and process feasibility studies, ART prepares a detailed process design including Process Flow Diagram (PFD) with Mass Balance and Piping and Instrumentation Diagram(-s) (P&ID). Based on the PFD and P&ID drawings, equipment selection is made. Based on the process design, Plant Layout, Equipment, and Plan & Elevation Drawings are developed using Computer Aided Design (CAD).

PLANT FABRICATION

After drawing approval, ART starts procurement and fabrication activities.  ART works close with local  fabricators to fabricate plant components and receive equipment for assembly. Equipment is pre-assembled at a local site to ensure all components fit as designed and to allow for final inspection prior to shipment to the project site.

Reactor Tanks under Construction

Plant Fabrication - Reactor Tank Lid

Reactor Tanks

Reactor Tank Cover

Rubber Lining

Pump Tank

Custom Tank

Custom Water Tank

Pump Tank

Mixing Tank

Customized Tank

Heavy Duty Agitator

Agitator Assembly

Plant Installation

Reactor Tank Installation

Plant Design

Equipment Installation